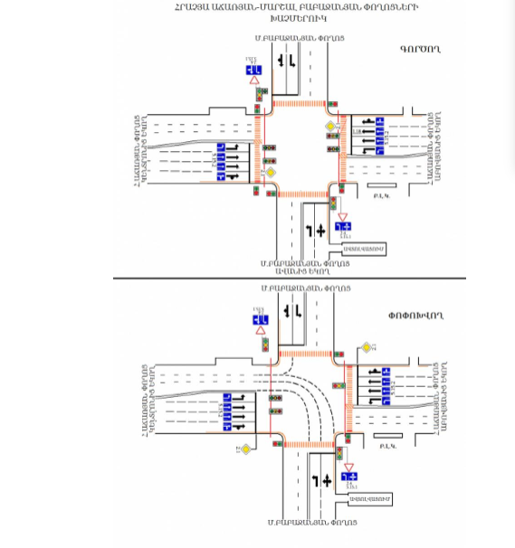
Երթևեկության կազմակերպման փոփոխություն Աճառյան−Մարշալ Բաբաջանյան փողոցների խաչմերուկում
Երթևեկության անվտանգության բարելավման նպատակով 2021 թ. նոյեմբերի 11-ին Երևան քաղաքի Աճառյան փողոց−Մարշալ Բաբաջանյան փողոց խաչմերուկում կկատարվի երթևեկության կազմակերպման փոփոխություն:
Փոփոխության արդյունքում Առինջի կողմից Աճառյան փողոցով նշված խաչմերուկին մոտեցող տրանսպորտային միջոցների տարբեր ուղղություններով երթևեկությունը խաչմերուկում կկարգավորվի միայն մեկ լուսացույցով, իսկ Ֆուտբոլի ակադեմիայի կողմից Բաբաջանյան փողոցով երթևեկող տրանսպորտային միջոցների ձախ շրջադարձը դեպի Առինջի կողմ կկարգավորվի առանց սեկցիայի լուսացույցով:
Խաչմերուկում կապամոնտաժվի նաև մեկ հետիոտնային անցում:

Այս թեմայով կարդացեք
Թողնել մեկնաբանություն
Գրել մեկնաբանություն
Գովազդ









































